Доводим аккумулятор Makita до ума - устанавливаем плату балансировки BMS и разбираемся в тонкостях её работы 

СмартПульс - держите руку на пульсе высоких технологий! Новости, статьи, обзоры мобильных устройств, компьютеров, комплектующих, радиолюбительских конструкций

Главная

Новости

Обзоры

Статьи

Обзоры РУНЕТа

   Главная - DIY (сделай сам) - Доводим аккумулятор Makita до ума - устанавливаем плату балансировки BMS и разбираемся в тонкостях её работы


Доводим "до ума" аккумулятор Makita - устанавливаем плату балансировки BMS и разбираемся в тонкостях её работы

Предисловие

В этом материале будет рассмотрено "доведение до ума" китайских литиевых аккумуляторов типоразмера Makita на основе 5-ти последовательных аккумуляторов 18650.

Недостаток "упрощенных" аккумуляторов Makita состоит в том, что они не содержат схемы BMS (выравнивания напряжения на каждом из последовательных литиевых элементов в схеме).

Проблема состоит в том, что изначально схема содержит только схему общей защиты всей последовательной цепи аккумуляторов от перезаряда, переразряда и превышения допустимого тока, в то время, как в схеме может возникнуть разбаланс между различными элементами в последовательной цепи аккумуляторов 18650. Правда, в рассматриваемом в качестве примера аккумуляторе изначальная схема защиты окажется ещё хуже, вследствие чего будет беспощадно заменена. :)

Модернизируем аккумулятор Makita - устанавливаем плату балансировки BMS и разбираемся в тонкостях её работы

Разбаланс между элементами в последовательной цепи может привести к тому, что одни аккумуляторы окажутся в состоянии перезаряда, а другие - переразряда; хотя в целом "средняя температура по больнице" окажется в норме. Оба состояния (перезаряда и переразряда) - опасны для литиевых аккумуляторов и могут привести к их преждевременному выходу из строя (а в "тяжелых" случаях - к возгоранию и взрыву).

Плата BMS подключается одновременно ко всем элементам последовательной цепи аккумуляторов, отслеживает напряжение на них и, в случае расхождения напряжений между элементами последовательной цепи, пытается их выровнять, задавая некоторый ток расхода от тех элементов, где напряжение повышенное.

Чаще всего схемы BMS одновременно являются и схемами защиты.
 

Оглавление
 

1. Схема защиты в дешевом аккумуляторе Makita, и что с ней не так
 

2. Недорогая комбинированная плата балансировки и защиты и её анализ
 

3. Замена платы защиты аккумулятора Makita на плату BMS с защитой
 

4. Окончательный диагноз

Схема защиты в дешевом аккумуляторе Makita, и что с ней не так

Разборка аккумуляторов Makita, к счастью, делается очень легко - это Вам не аккумулятор от ноутбука!

Вот как он выглядит в разобранном виде:

Аккумулятор Makita в разобранном виде

Этот аккумулятор служил у меня уже давно, и потому успел побывать в ремонте. На фото видно, что 3 аккумулятора 18650 - зелёные, а 2 - серые. Зелёные - это новые, а серые - это оставшиеся в живых аккумуляторы от предыдущего цикла работы. Наука не рекомендует использовать вместе аккумуляторы с разной степенью износа, но ведь не пропадать же добру! К счастью, они оказались почти одинаковой ёмкости, иначе бы разбаланс отдельных ячеек образовался бы быстро, и он был бы непоправим с помощью применённой платы BMS.

При этом последнем ремонте аккумулятора я ещё не задумывался о причинах его преждевременного износа, а зря. Посмотрим на его "старую" схему защиты со стороны элементов:

Плата защиты аккумулятора Makita (неудачная)

Здесь надо обратить внимание на то, что на плате защиты нет ни одного мощного транзистора! Как так может быть, если при штатной работе инструмента с этим аккумулятором от него идёт ток до 10 А, а пусковой ток - ещё выше?!

Секрет оказался прост: аккумулятор напрямую соединён с выходными контактами устройства (которые в виде длинных металлических пластин), и плата защиты в работе на нагрузку не участвует! Она работает только при зарядке аккумулятора, когда ток в разы меньше.

Соответственно, при работе аккумулятора на нагрузку иногда происходил переразряд аккумулятора; причём, из-за неравномерного износа ячеек отдельные ячейки оказывались в особо неблагоприятном положении, и, наконец, умерли (три из пяти).
 

Недорогая комбинированная плата балансировки и защиты и её анализ

Для восстановления работоспособности аккумулятора на небезызвестном Алиэкспресс была куплена недорогая плата балансировки, совмещённая с защитой. Кроме того, плата была выбрана с другим разъёмом для зарядки: цилиндрическим 5.5 мм вместо прямоугольного. Это было сделано исключительно по личным соображениям: при такой замене для зарядки аккумулятора можно было использовать зарядное устройство от садового триммера. Внимание! Заряжать от обычного блока питания нельзя!

Вот она:

плата балансировки и защиты для аккумулятора Makita на 5 ячеек 18650

Здесь всё сделано намного культурнее со схемотехнической точки зрения. На плате присутствуют 3 мощных транзистора, соединённых параллельно, мощные резисторы 0.003 Ом (датчики тока для схемы защиты), термистор для избежания перегрева, и, собственно, сам контроллер защиты и балансировки типа CSC5115 (где последняя цифра "5" означает количество последовательных ячеек литиевых аккумуляторов, которое обслуживает этот контроллер).

Вид платы с обратной стороны:

Плата балансировки и защиты для аккумулятора Makita на 5 ячеек 18650 (вид с нижней стороны)

Здесь видим два толстых проводника, которые идут к плюсу и минусу всей цепочки аккумуляторов, и голубоватые тонкие проводники, которые идут к промежуточным точкам соединения ячеек аккумулятора. С со стороны элементов платы эти контакты обозначены B1...B4, что означает номера ячеек аккумулятора, начиная с подключенной к земле, к плюсовым контактам которых должны быть подключены эти проводники.

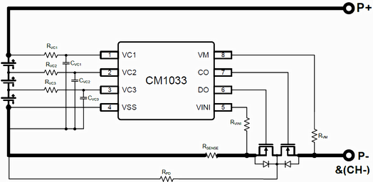
Теперь разберём типовую схему применённого контроллера BMS с защитой. Datasheet удалось найти не на сам контроллер CSC5115, а на его аналог CM1033, рассчитанный на работу с тремя последовательными ячейками:

Типовая схема включения контроллера BMS и защиты CM1033 (аналог CSC5113)

Слева на схеме находятся резисторы RVC1...RVC3, которые подключаются к ячейкам цепочки аккумуляторов, когда нужно пустить часть зарядного тока в обход этих ячеек с целью выравнивания заряда с ячейками, имеющими более низкое напряжение.

Рекомендуемый номинал этих резисторов - 1 кОм, и именно такие резисторы и установлены на плате.

Теперь - внимание: какой ток могут отвести эти резисторы?

Если ячейка заряжена до максимума - 4.2 В, то резистор, соответственно, сможет отвести ток 4.2 мА; а это в 100 и более раз меньше минимального тока зарядки в реальных зарядных устройствах для аккумуляторов Makita (а чаще зарядный ток бывает до 2 А).

Таким образом, такая схема может устранить лишь очень небольшой разбаланс между ячейками. Именно по этой причине добросовестные китайские продавцы настоятельно рекомендуют перед подключением этой схемы выровнять напряжение на аккумуляторах, и, к тому же использовать одинаковые новые аккумуляторы; либо аккумуляторы с одинаковой степенью износа (на крайняк).

В противном случае выравнивание баланса может случиться очень нескоро, или вообще никогда!

Забегая вперёд, надо сказать, что измерения, действительно, зафиксировали включение балансировки аккумуляторов вблизи момента завершения зарядки аккумулятора. Когда аккумулятор находился в состоянии покоя, балансировка не включалась.
 

Замена платы защиты аккумулятора Makita на плату BMS с защитой

Замеры показали, что установочные отверстия новой платы не совпадают с отверстиями в старой плате. Пришлось просверлить новые отверстия; на следующем фото они обозначены красными рамками:

Механическая доработка для установки платы BMS в аккумулятор Makita

Для этой механической доработки лучше сначала выпаять выходные контакты, а затем припаять их обратно.

Затем густо мажем места установки силиконовым клеем и закрепляем плату в аккумуляторе Makita.

Кроме того, пропиливаем в рамке для аккумуляторов канавки, через которые выводим проводники для подключения к промежуточным соединительным точкам аккумуляторной цепи.

Аккумулятор Makita с платой BMS

Теперь осталось закрыть крышку аккумулятора, и получаем изделие, годное к употреблению. Правда, крышку тоже пришлось немного подпилить - цилиндрический разъём оказался на миллиметр длиннее, чем то место, на которое он должен поместиться.

И защёлку пришлось чуть-чуть подпилить в паре мест.

Вот что получилось в итоге:

Аккумулятор Макита с новой платой BMS и защиты

Испытания показали, что добиться полного выравнивания напряжений на аккумуляторах в результате применения этой не слишком эффективной платы BMS не удалось: после нескольких циклов работы напряжение на серых аккумуляторах (старых) оказалось примерно на 0.15 В ниже, чем на зелёных (новых).

Важный "плюс" этой платы BMS (который относится, видимо, ко всем платам BMS): зарядку аккумулятора плата останавливает не тогда, когда напряжение всей последовательной цепи аккумуляторов достигнет максимально-допустимого (что в данном случае должно быть 4.2 В * 5 = 21 В), а тогда, когда напряжение хотя бы одной из ячеек достигнет максимально-допустимого (4.2 В); предотвращая тем самым перезаряд каждой отдельной ячейки. В результате максимальное напряжение на заряженном аккумуляторе составило 20.5 В.

Аналогично функционирует эта плата BMS и при работе на разряд: плата отключает нагрузку, если напряжение хотя бы на одной ячейке окажется ниже 3.2 В (это - напряжение, которое для литиевых аккумуляторов принято за "0% заряда").
 

Окончательный диагноз

Установленная в аккумуляторе Макита новая плата BMS+защита оказалась мало эффективной с точки зрения выравнивания потенциала на ячейках аккумулятора, но она оказалась крайне полезной с точки зрения выполнения функций защиты: защита здесь работает, как должно.

Нарушение правила, что аккумуляторы в последовательной цепи должны быть одинаковыми, в данном случае мне "сошло с рук", но в общем случае на это рассчитывать не следует, особенно с учётом того, что реальная ёмкость аккумуляторов 18650 у наших китайских товарищей может сильно отличаться от той, что на них указана. То есть, нужно брать не просто одинаковые аккумуляторы, а одинаковые аккумуляторы у одного продавца - тогда есть шанс, что они окажутся из одной партии и расхождения между ними будут минимальными. Либо сразу брать готовый спаянный комплект аккумуляторов из пяти штук (это лучший вариант - и аккумуляторы будут почти одинаковыми, и возиться с пайкой/сваркой не придётся; правда, с ёмкостью всё равно могут быть "неточности" :).

Мораль из вышеизложенного: после покупки недорогого аккумулятора Makita крайне полезно сделать ему вскрытие и посмотреть, как там соединены выходные контакты (больших знаний электроники для этого не требуется). Если они соединены напрямую с собственно аккумулятором, то это  - крайне неблагоприятный случай. В этом случае защита от переразряда не будет работать. Пользоваться инструментом с этим аккумулятором можно, но осторожно: не следует заряд вычерпывать "до дна", а при первых признаках замедления работы инструмента отправлять аккумулятор на дозарядку. А лучше всё-таки установить плату BMS.

Плата BMS+защита с цилиндрическим разъёмом для зарядки, применённая автором, была куплена у этого продавца на Алиэкспресс. Цена - около $1.3 (может меняться, проверяйте!).

Реклама. ООО "АЛИБАБА.КОМ (РУ)" ИНН 7703380158

Если же нет необходимости в переходе на цилиндрический разъём, то можно порекомендовать, например, вот это плату BMS+защита:

Плата BMS+хащита для аккумуляторов Макита

Эта плата лучше применённой выше платы с цилиндрическим разъёмом тем, что здесь разрядные резисторы имеют номинал 75 Ом, т.е. разрядный ток здесь в 13.3 раза выше, и плата сможет выровнять уже не микроскопический, а достаточно серьёзный разбаланс между ячейками аккумулятора.

Но, это, разумеется, в теории - плата не тестировалась!

Кроме того, перед покупкой платы хорошо бы прикинуть, насколько хорошо её крепёжные отверстия "впишутся" в конфигурацию корпуса Вашего аккумулятора Макита.

Купить её можно на Алиэкспресс, например, у этого продавца.  Цена - около $5.5 (может меняться, проверяйте!).

Реклама. ООО "АЛИБАБА.КОМ (РУ)" ИНН 7703380158

Более подробно с теорией защиты и балансировки аккумуляторов можно ознакомиться в этой статье на Хабре.

 

Весь раздел DIY (сделай сам!)
 

Перейти на Главную
 

Дзен-канал Smartpuls.ru - интересно о технике (подписывайтесь, будет много интересного!)

  Ваш Доктор.
 16 февраля 2026 г.

Вступайте в группу SmartPuls.Ru  Контакте! Анонсы статей и обзоров, актуальные события и мысли о них.


                Порекомендуйте эту страницу друзьям и одноклассникам                      

 

  Комментарии вКонтакте:


При копировании (перепечатке) материалов или использовании изображений ссылка на источник (сайт SmartPuls.ru) обязательна!  Доктора! (Администрация сайта - контакты и информация)
  Группа SmartPuls.Ru  Контакте - анонсы обзоров, актуальные события и мысли о них