Мощный понижающий DC-DC преобразователь с синхронным выпрямлением 

СмартПульс - держите руку на пульсе высоких технологий! Новости, статьи, обзоры мобильных устройств, компьютеров, комплектующих, радиолюбительских конструкций

Главная

Новости

Обзоры

Статьи

Обзоры РУНЕТа

   Главная - DIY - сделай сам! - Мощный понижающий DC-DC преобразователь с синхронным выпрямлением


Мощный понижающий DC-DC преобразователь с синхронным выпрямлением

Небольшая доработка прилагается

Предисловие

Классические понижающие DC-DC  преобразователи содержали схему управления, индуктивность, ключевой транзистор и диод.

Со временем компоненты схемы усовершенствовались: в качестве транзисторов стали применять MOSFET-ы с малым сопротивлением канала в открытом состоянии; а вместо "обычных" диодов - диоды Шоттки (что позволило снизить прямое падение напряжения почти в 3 раза).

А дальнейшим усовершенствованием схемы стал переход к синхронному выпрямлению, когда вместо диода тоже работает MOSFET, который в нужные моменты времени открывается, а в ненужные - закрывается.

Именно такое решение применено в тестируемом DC-DC преобразователе.

Мощный понижающий DC-DC преобразователь с синхронным выпрямлением - тест и обзор

Перед дальнейшим повествованием - несколько слов о преимуществах синхронного выпрямления с использованием MOSFET перед традиционным выпрямлением на диодах.

Самое главное: для MOSFET-а под внешним управлением нет порога открытия, он работает, как резистор с крайне малым номиналом (единицы или десятки миллиОм). Диоды же имеют фиксированный порог открытия, составляющий около 0.6 В для "обычных" диодов и 0.15 В для диодов Шоттки, что создаёт дополнительные потери мощности и снижение КПД.

Кроме того, внутреннее сопротивление открытого MOSFET-а меньше, чем у диода Шоттки с аналогичной допустимой мощностью рассеяния, что также создаёт преимущество для схемы с синхронным выпрямлением.

И, наконец, из вышеуказанных преимуществ вытекает ещё одно: схема с синхронным выпрямлением менее требовательна к теплоотводу, чем схема с диодами.

Есть у схем с синхронным выпрямлением и недостатки. Эти схемы - чуть более сложны, а также обычно требуют немного более высокого напряжения питания, чем схемы с диодами.

"Изюминкой" материала станет поиск "узких мест" на плате с помощью тепловизора и их ликвидация с помощью проводов и паяльника.
 

Оглавление
 

1. Характеристики, схемотехника и конструкция мощного понижающего DC-DC преобразователя с синхронным выпрямлением
 

2. Тестирование мощного понижающего DC-DC преобразователя с синхронным выпрямлением
 

3. Температурные режимы и небольшая доработка платы
 

4. Окончательный диагноз


1. Характеристики, схемотехника и конструкция мощного понижающего DC-DC преобразователя с синхронным выпрямлением

Характеристики, заявленные производителем и, соответственно, повторенные на страницах продавцов, не вполне подтвердились (как это, в общем, принято у наших китайских товарищей; но здесь всё оказалось ещё более-менее по-божески).

Главное, не подтвердился максимальный ток: вместо заявленных 20 А он оказался только 12.3 А.

А ещё неверным оказалось минимальное напряжение работы преобразователя: вместо заявленных 6 В оно оказалось 8.5 В.

В остальном всё в порядке, а некоторые параметры оказались даже чуть лучше заявленных.

• Максимальное напряжение входа: 40 В

• Диапазон выходных напряжений: 1.2 В - 35 В

• Режим стабилизации тока: от 0.2 А

• Минимальная разница между входным и выходным напряжением: 3 В

• Пульсации напряжения на выходе: не более 50 мВ

• Защита от короткого замыкания на выходе (режим CV-CC, Constant Voltage - Constant Current)

• Габариты: 60 * 53 * 30 мм

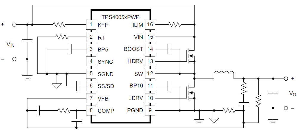
В качестве управляющей схемы в преобразователе применён чип TPS40057 компании Texas Instruments.

Типовая схема включения приведена на следующем изображении (взято из datasheet на TPS40057):

Типовая схема включения TPS40057

Роль диода в этой схеме выполняет нижний на изображении MOSFET.

Применённая в тестируемом преобразователе схема отличается от приведённой здесь "канонической" схемы возможностью регулировки выходного напряжения и тока защиты. Для выполнения последней функции в схему добавлен токоизмерительный резистор и пара ОУ с сопутствующей обвязкой.

Теперь - более конкретно по конструкции и схеме.

Вид на плату по диагонали:

Мощный понижающий DC-DC преобразователь с синхронным выпрямлением - конструкция

Здесь в правом нижнем углу, рядом с клеммами выхода, видны два многооборотных подстроечника, обозначенные CC (регулировка ограничения выходного тока) и CV (регулировка выходного напряжения). Регулировка - "правильная": по часовой стрелке - увеличение, против часовой - снижение.

Справа находятся три параллельных электролита 470 мкФ * 35 В по выходу, а слева - два параллельных электролита 470 мкФ * 50 В по входу.

В центре - мощная индуктивность, намотанная толстым проводом в три сложения.

На радиаторах закреплены MOSFET-ы RU7088R (70 В, 80 А, сопротивление в открытом состоянии 0.008 Ом).

Вид на плату преобразователя сверху:

Мощный понижающий DC-DC преобразователь с синхронным выпрямлением - вид сверху

К уже перечисленным элементам надо добавить светодиод индикации включения, расположенный слева над входным клеммником; и переключатель "включено/выключено" под этим же клеммником.

Теперь смотрим на обратную сторону:

Мощный понижающий DC-DC преобразователь с синхронным выпрямлением - нижняя сторона платы

16-ногий чип сверху над серединой платы - это главный чип преобразователя TPS40057.

Микросхема U2 (L05) - местный стабилизатор на 5 В.

Микросхемы U3, U4 (LM321, обозначены как A63A) - операционники, работающие на стабилизацию тока выхода при переходе преобразователя в таковой режим.

Большой резистор R8 (0.004 Ом) - токоизмерительный, работает на систему стабилизации тока.

Диод D1 - защита от переполюсовки. В случае ошибки полярности он "принимает удар на себя". А потом возможны варианты: либо он сгорит, либо сработает защита в первичном источнике питания, к которому подключен преобразователь.

Теперь переходим к тестам.
 

2. Тестирование мощного понижающего DC-DC преобразователя с синхронным выпрямлением

1. Максимальный выходной ток, КПД. пульсации

Основное тестирование было проведено в режиме с входным напряжением 24 В и выходным 12 В. Частота преобразования оказалась равной 163 кГц.

Первым делом был проверен максимальный ток, который может отдать в нагрузку преобразователь. Он оказался не 20 А, как обещал производитель и продавцы, а только 12.3 А (видимо, это значение может немного колебаться от экземпляра к экземпляру).

После этого было решено остальные тесты проводить "на грани", т.е. при напряжении выхода 12 В и токе выхода 12 А.

Потребление от источника 24 В (лабораторный блок питания) составило 6.46 А, потребляемая мощность - 155 Вт, итого получаем КПД=93% - очень хороший результат, подтверждающий высокую эффективность схемы с синхронным выпрямлением.

Тем не менее, на самом преобразователе рассеивалось 11 Вт мощности - это довольно много (разогрев платы был сильным, к этому вернёмся в следующей главе).

Дополнительно был проверен КПД в режиме с выходным напряжением 5 В и входным 12 В, ток выхода 6.25 А (нагрузка 0.8 Ом).

Входной ток составил 2.77 А, потребляемая мощность 33.24 Вт, выходная 31.25 Вт, КПД=94%.

Таким образом, можно считать, что КПД не изменился (с учетом возможной погрешности измерений).

Теперь посмотрим на осциллограмму пульсаций в первом режиме (ток выхода 12 А):

Осциллограмма пульсаций на выходе понижающего DC-DC преобразователя с синхронным выпрямлением

Величина пульсаций пик-пик составила 98 мВ - это почти вдвое выше заявленного производителем. Мораль: для чувствительной аппаратуры на ней надо устанавливать дополнительные электролитические конденсаторы, либо индуктивно-ёмкостные фильтры.
 

2. Напряжения включения и выключения, ток холостого хода (без нагрузки).

Напряжение включения оказалось не таким, как обещал производитель (6 В), а более высоким - 8.5 В. Примерно так и должно быть: в datasheet на основной чип указано напряжение включения 8 В.

Напряжение выключения преобразователя не совпало с напряжением включения и составило 7.5 В, что технически - абсолютно правильно: на пограничном напряжении чип не должен то включаться, то выключаться на каждую помеху (гистерезис обязан быть).

Потребление по току преобразователя в режиме холостого хода зависело от напряжения входа и выхода и составило:

1. Напряжение входа 24 В, выхода 12 В - 44 мА;

2. Напряжение входа 24 В, выхода 5 В - 36 мА;

3. Напряжение входа 12 В, выхода 9 В - 28 мА.

Ток потребления при положении переключателя на плате "Выключено" - 0.6 мА.
 

3. Минимальная разница напряжений между входом и выходом

Величина этого параметра составила 1.8 В (хоть какой-то параметр оказался лучше заявленного). То есть, невозможно получить выходное напряжение, которое было бы более ближе к входному, чем на 1.8 В (проверено при токе выхода 3 А).
 

4. Режим стабилизации тока

Режим стабилизации тока (его ограничения) здесь реально работает: ток срабатывания регулируется, выходной ток при этом имеет относительно небольшие пульсации. Следующая осциллограмма снята при входном напряжении 24 В, нагрузке 2 Ом, ток стабилизации - 3 А.

Осциллограмма понижающего DC-DC преобразователя в режиме стабилизации тока

Нормально, пользоваться этим режимом можно.
 

5. Минимальное напряжение выхода, максимальные напряжения входа и выхода

Минимальное напряжение выхода составило 1.4 В.

Максимальные напряжения входа и выхода определяются предельно-допустимыми напряжениями компонентов схемы.

Максимальное напряжение входа определяется максимально-допустимым напряжением чипа TPS40057, которое составляет 40 В.

Максимальное напряжение выхода определяется максимально-допустимым напряжением электролитов на выходе, которое составляет 35 В.
 

3. Температурные режимы и небольшая доработка платы

Теперь перейдём, пожалуй, к самому интересному - тепловым снимкам платы, ибо они будут представлять практическую ценность.

В установившемся режиме при токе выхода 12 А плата разогрелась сильно, но не опасно, максимум до 82 градусов. На следующем изображении - тепловой снимок платы сверху:

Тепловой снимок платы DC-DC преобразователя (вид сверху)

Тепловой снимок сделан тепловизором UNI-T UTi260M (обзор).

На что здесь надо обратить внимание?

Во-первых, разогрелась почти вся поверхность платы.

А во-вторых, самым разогретым (до 82.1 градуса) местом оказался не какой-либо активный элемент или индуктивность, а дорожка печатной платы, расположенная ниже индуктивности на снимке!

Теперь посмотрим на тепловой снимок с обратной стороны платы:

Тепловой снимок обратной стороны платы

Здесь есть три зоны аномального разогрева:

1 - здесь дорожка "земли" обходит контакты MOSFET-а;

2 - здесь проходит дорожка, сама по себе не нагревающаяся, но сквозь неё "просвечивает" тепло с обратной стороны платы;

3 - тёплое "обрамление" вокруг дорожки "земли", идущей от выходных электролитических конденсаторов. Середина дорожки выглядит холодной, т.к. она имеет зеркальную поверхность, и тепловизор "видит" здесь температуру окружающих предметов, которые в ней отражаются.

Есть и ещё две зоны сильного нагрева, но они - не аномальные, а вполне естественные: 4 - это нагревается главный чип преобразователя, и 5 - это нагревается токоизмерительный резистор.

Учитывая сильный нагрев платы, да ещё с аномальными зонами, было принято решение усилить печатные проводники платы, через которые проходят сильные токи, дополнительными обычными проводами.

Вот как выглядит эта несложная доработка:

Доработка платы DC-DC преобразователя для снижения нагрева

Для оценки полезности проведённой доработки снова сделаем тепловой снимок платы. Те проводники, которые реально взяли на себя сильные токи, должны разогреться; а проводники, оставшиеся холодными, получат "нейтральный" статус, т.е. хуже от их добавления не стало.

Тепловое фото DC-DC преобразователя после доработки

Тепловой снимок сделан тепловизором с регулируемым фокусным расстоянием InfiRay T2S Plus (обзор, сторонний ресурс).

Картина получилась очень хорошая: аномальные зоны нагрева, обозначенные на предыдущем тепловом снимке цифрами 1, 2, 3, - исчезли!

Замер падения напряжения на проводнике "земли" от входа до выхода показал, что величина падения снизилась на 110 мВ. Учитывая, что ток составлял 12 А, получаем экономию рассеиваемой мощности на плате 1.32 Вт.

Это - небольшая величина по сравнению с мощностью в нагрузке, но для самой платы - это существенное снижение тепловыделения (ок. 12%).

А снижение тепловыделения на плате - это снижение требований к теплоотводу от неё и повышение надёжности работы. То есть, кругом одни выигрыши!
 

4. Окончательный диагноз

Как и следовало, в общем-то, ожидать, протестированный понижающий DC-DC преобразователь с синхронным выпрямлением не осилил отдать в нагрузку ток, заявленный в характеристиках производителем и продавцами.

Тем не менее, при токах до 12 А его применение будет вполне позитивным: КПД - высокий, режимы стабилизации напряжения и тока (его ограничения) работают успешно. Хотя, с учётом возможного разброса параметров от экземпляра к экземпляру, стоило бы ограничиться величиной выходного тока 11.5 А.

Проведя небольшую доработку, описанную выше, можно снизить нагрев платы и немного повысить КПД.

Преобразователь вполне подойдёт для организации питания различной аппаратуры; при этом преобразователь обеспечит защиту от короткого замыкания и прочих неприятностей, ограничивая ток на заданной пользователем величине.

Может преобразователь использоваться и для более "грубых" задач, вроде зарядки аккумуляторов в режиме CC-CV, или питания светодиодных лент и светильников.

Купить протестированный понижающий DC-DC преобразователь с синхронным выпрямлением можно, например, у этого продавца. Цена на дату публикации материала с учётом доставки - около $5 (может меняться, проверяйте!). Если ссылку не видно, то отключите, пожалуйста, блокировщик рекламы для этого сайта. Реклама. ООО "АЛИБАБА.КОМ (РУ)" ИНН 7703380158

Всем спасибо за внимание!
 

Весь раздел  DIY - сделай сам!
 

Перейти на Главную
 

Дзен-канал Smartpuls.ru - интересно о технике (подписывайтесь, будет ещё много интересного!)

  Ваш Доктор.
 21 апреля 2026 г.

Вступайте в группу SmartPuls.Ru  Контакте! Анонсы статей и обзоров, актуальные события и мысли о них.


                Порекомендуйте эту страницу друзьям и одноклассникам                      

 

  Комментарии вКонтакте:

 

При копировании (перепечатке) материалов или использовании изображений ссылка на источник (сайт SmartPuls.ru) обязательна!  Доктора! (Администрация сайта - контакты и информация)
  Группа SmartPuls.Ru  Контакте - анонсы обзоров, актуальные события и мысли о них